您好!欢迎光临 创视知联科技(苏州)有限公司 网站!
网站地图
(
百度
/
谷歌
)
联系我们
全国咨询热线
0512-80209819
首页
关于我们
公司简介
公司定位
质量方针
应用案例
产品中心
微型光电传感器…
接近传感器选型…
方形光电传感器…
数字光纤传感器…
光纤元件
超薄型光电传感…
微型激光位移传…
激光位移传感器…
同轴位移传感器…
接触式位移传感…
远程激光测距传…
区域传感器
光幕传感器
小型圆柱型传感…
联系我们
首页
>
产品中心
>
微型光电传感器
>
CPM-15/25系列
CPM-15/25系列
CPM-35/45系列
CPM-55/65系列
超小型 · 电缆线型CPM-15/25系列
一体成型,紧固耐用
性能优越·耐环境性极强
业界主流产品同尺寸,安装便捷,可替换性强!
抗干扰能力强,可达业界同等水平!
超高的重复精度,10um以下,达到业界水平!
超高速响应频率,可达3KHz,应用场景适应性强!
采用一体成型技术,实现坚固耐用!
联系电话:
0512-80209819
立即咨询
联系我们
基本信息
种类
规格
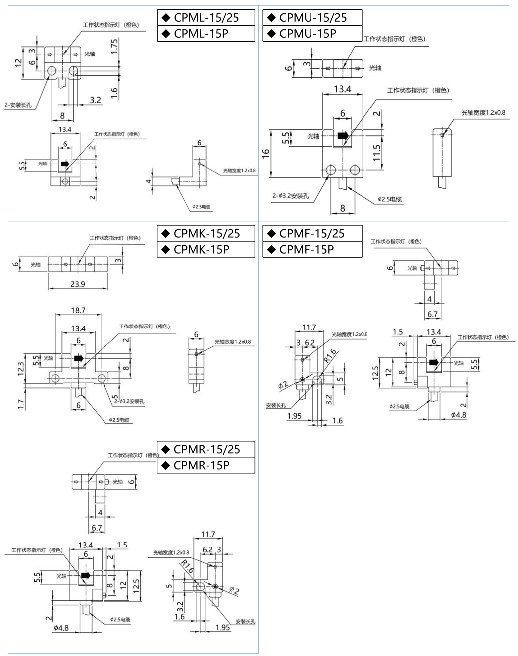
尺寸图
回路.连接
使用注意事项
上一篇:
暂无数据
下一篇:
暂无数据
网友评论
管理员
该内容暂无评论
局域网网友
在线客服
服务热线
服务热线
0512-80209819
微信咨询
返回顶部
管理员
该内容暂无评论